Войти Регистрация
Корзина 0 позиций
на сумму 0 ₽
Время работы:

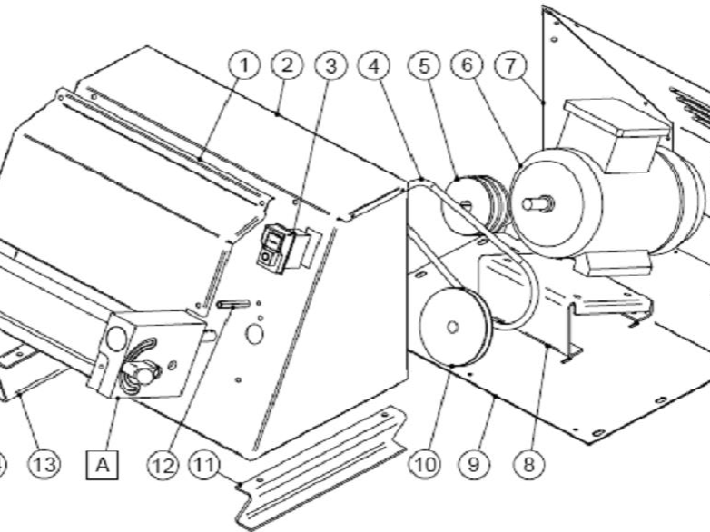
Деталировка Amitek SP42MA

картинка Деталировка Amitek SP42MA от магазина Одежда+
0 ₽
Количество
шт

Деталировка Amitek SP42MA скачать

 

Для заказа запасных частей необходимо выбрать их из деталировки и отправить запрос на электронную почту 9823354@mail.ru

EXPLODED VIEW AND SPARE PARTS LIST

<p>Запасные части для оборудования Amitek</p>

Запасные части для оборудования Amitek

Деталировка Amitek SP42MA
0 ₽

Деталировка для FAMILY 250

  0 ₽
шт

Почему Мы?

  • Выполнили свыше 150 000 заказов
  • Более 10 лет успешной работы
  • Более 50 000 покупателей
  • Оригинальные запчасти
  • Круглосуточная поддержка
  • Индивидуальный подход!
  • Всегда низкие цены!

Полезная информация

О магазине

Узнайте больше о нашем магазине: кто мы, наши клиенты и почему они выбрали именно нас. Наши контакты и реквизиты.
Подробнее

Доставка

Доставим ваш заказ в любой регион России, в удобное время и день. Работаем для вас, без выходных.
Подробнее

Мы гарантируем

Мы гордимся безупречной репутацией нашего магазина. Если товар не устроит вас, вы всегда сможете вернуть деньги.
Подробнее

Как купить

Ваш первый заказ в интернет-магазине? Мы с радостью подскажем как сделать покупки в интернете простыми и удобными.
Подробнее

Всегда на связи

Связаться с нами можно любым удобным для вас способом: e-mail, телефон, социальные сети и мессенджеры.
Подробнее
Войти Регистрация
Корзина 0 позиций
на сумму 0 ₽